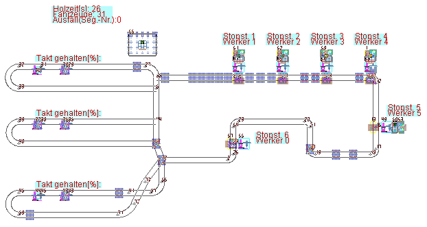
Anwendung Fertigungslogistik
Anforderung:
- Prüfung verschiedener Anordnungs-Konzepte
- Ermittlung der optimalen Zahl Flurförderfahrzeuge
- Ermittlung erforderlicher Reaktionszeiten an den Zubringern der Anlage
- Erhöhung der Planungssicherheit
Leistung:
- Modellierung zweier Anlagenkonzepte in Taylor II
- Programmieren einer Auftragsgenerierung mit einstellbarer statistischer Verteilung
- Optimierung im Zweiparameterfeld Fahrzeugzahl-Reaktionszeit durch Simulationsreihen
- Prüfung auf Robustheit der Anlagenkonzepte gegenüber ungleichmäßiger Auslastung
Das Bild zeigt die modellierten Fahrwege der Flurtransportfahrzeuge mit Be- und Entladestationen. Die
verschiedenen Gitterkästen symbolisieren beladene und unbeladene Fahrzeuge.